极悦娱乐

蜗轮丝杆升降机,升降器,螺旋升降机厂家
当前位置: > > > 伺服电缸SEC-95

产品中心 Product

推荐新闻Recommend

热门关键词Keywords

联系极悦娱乐 Contact Us

极悦娱乐「一家注册的游戏平台」

手 机:133-9237-0065

邮 箱:2850655356@qq.com

电 话:13392370065

网 址:www.nosen.cn

地 址:广东东莞市南城街道宏一路1号1栋2106室

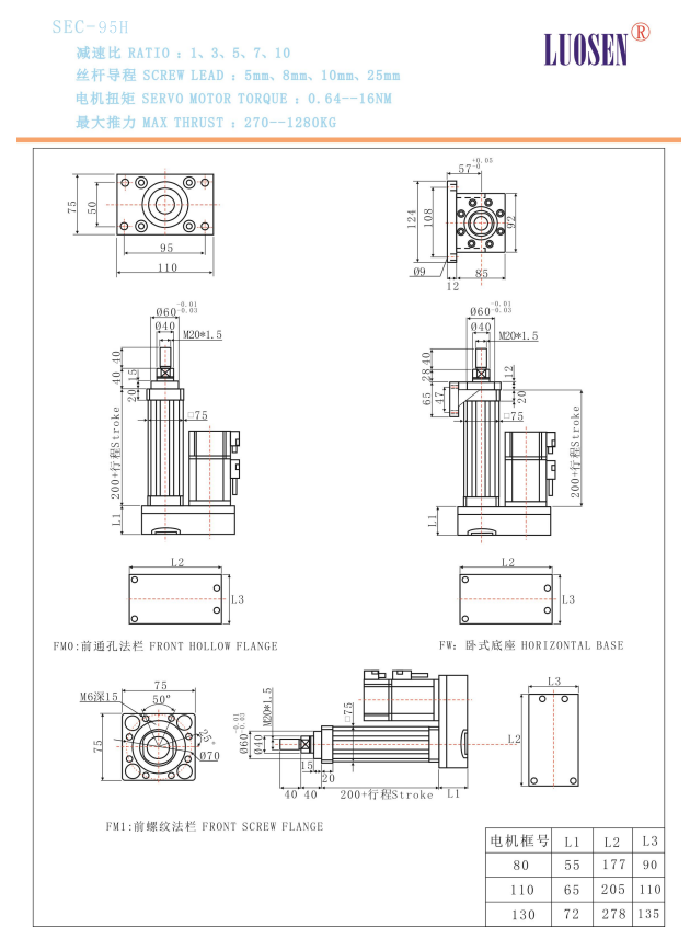
伺服电缸SEC-95

  • 所属分类:轻负载伺服电缸
  • 浏览次数:119
  • 发布时间:2022-10-10 18:06:23
  • 产品概述
  • 型号
  • 电机连接形式
  • 安装方式
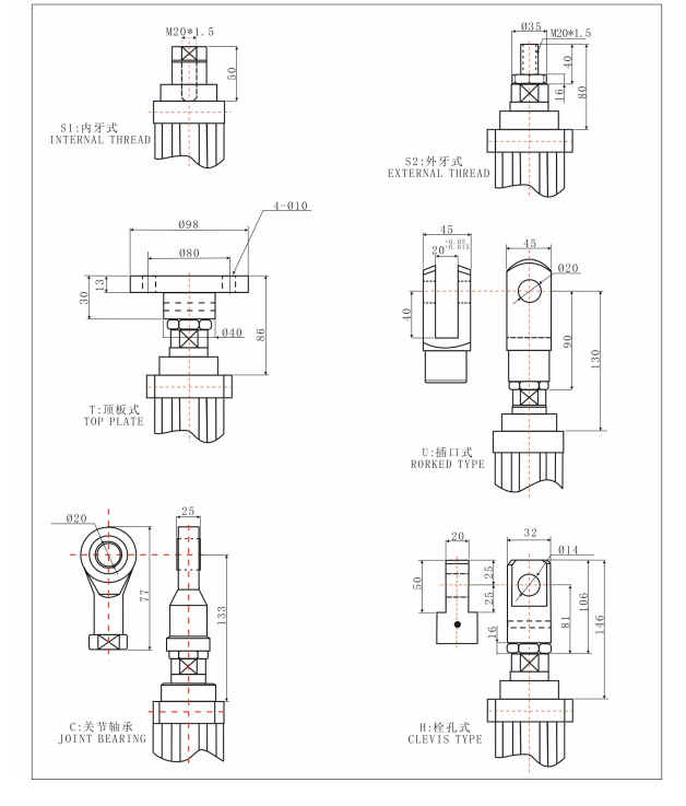
  • 输出端形式
  • 速度
  • 有效行程
  • 驱动扭矩
  • 外形尺寸

  轻负载伺服电缸采用高精度滚珠丝杆做为推杆,升降精度高,定位精准。外壳采用高强度铝型材,采用伺服电机做为传动原,可采用PLC编程控制,自动化程度高,安装简易方便,可用于不同的场合来使用。

伺服电缸SEC-95

电机连接形式.jpg

安装方式1.jpg

安装方式.jpg

输出端形式.png

  常规

  1:1、1:3、1:5、1:7、1:10

  导程:10mm、16mm、20mm、40mm


有效行程.jpg

驱动扭矩.jpg

伺服电缸SEC-95

伺服电缸SEC-95

伺服电缸SEC-95

伺服电缸SEC-95

标签

本文网址:
上一篇: 2022-10-10
下一篇: 2022-10-10

相关产品

相关新闻