极悦娱乐

蜗轮丝杆升降机,升降器,螺旋升降机厂家
当前位置: > > > 方形十字转向器RNV-090

产品中心 Product

推荐新闻Recommend

热门关键词Keywords

联系极悦娱乐 Contact Us

极悦娱乐「一家注册的游戏平台」

手 机:133-9237-0065

邮 箱:2850655356@qq.com

电 话:13392370065

网 址:www.nosen.cn

地 址:广东东莞市南城街道宏一路1号1栋2106室

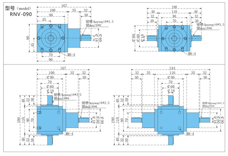
方形十字转向器RNV-090

  • 所属分类:十字转向器RNV
  • 浏览次数:123
  • 发布时间:2022-10-11 10:57:35
  • 产品概述
  • 技术参数
  • 安装方式
  • 转向代号
  • 减速比
  • 外形尺寸

  结构:螺旋伞齿轮90度组合,欧洲通用规格;

  传动速比:1:1、2:1;

  转速范围:10-1500RPM;

  输入扭矩:5.8-1005NM;

  输入功率:1.2-209HP;

  轴匹配:一入力轴一出力轴、一入力轴三出力轴、一入力轴三出力轴;

  转向:顺时针/逆时针,多种输入输出转向灵活安装;

  噪音水平:<80db;传动效率95%;<>

  环境温度:-20℃-+80℃;


  RNV系列转向器,采用铸铁外壳,机身小巧,出入力轴经热处理,强度高,螺旋伞齿采用合金钢,承受扭矩大,安装简易及灵活方便。


技术参数.png

安装方式.png

转向代号.png

  速比:1/1,   1/2,其他速比可定做

外形尺寸.png

标签

本文网址:
上一篇: 2022-10-11
下一篇: 2022-10-11

相关产品

相关新闻